新浪科技 数码

键盘大胆变革 IVB平台ThinkPad X230评测

用户1649608047

关注

第1页前言:大胆变革 ThinkPad X230评测

前言:大胆变革 ThinkPad X230评测

便携商务市场上,出色的机型屈指可数,戴尔的Latitude、惠普旗下的EliteBook系列都是高端移动商务人士比较看好的机型,但纵横业界的,还要属ThinkPad X系列,便携、高效,一直是移动商务人士最爱。相对而言,X系列多年以来机身变化非常小,由此也说明模具、做工以及散热等等方面一直都很完美。但最新的ThinkPad X230却做了一些较大的改变。

ThinkPad X230

伴随着Intel基于22nm制程技术研发的Ivybridge架构处理器发布,各大笔记本厂商都纷纷跟进,主力机型都采用了最新的平台,而ThinkPad X230也不例外,升级后的配置使得性能有了更大的提升。但同时X230大胆突破,采用了分岛式键盘,这一点让众多小黑迷大跌眼镜。那么这样的改变到底是不是进步呢?

ThinkPad X230

作为便携商务笔记本产品的代表作,X230此前的机型一直备受用户青睐,不仅是因为其拥有小巧的机身设计,以及高度的安全性能,突出的特点还在于其如此的身材仍然采用了标准电压的处理器,还拥有超长的续航时间,对于移动商务人士非常适合。X230仍然延续了系列的经典,具体表现到底如何呢?今天我们就和大家一起来分析一下。

第2页经典外观依然延续 接口丰富

经典外观依然延续 接口丰富

ThinkPad在T、X系列上,一直比较保守,并没有像Edge系列那样大胆用色和大幅度的改变,这次X230和之前的X系列一样,纯黑色的外观、棱角分明的设计,凸显了十足的商务范。

ThinkPad X230 外观

顶盖采用了大量的铝镁合金材质,磨砂图层类肤质工艺,摸上去手感非常好。这样的工艺让顶盖更不容易划伤,也不易沾染指纹。

ThinkPad X230 顶盖

整个顶盖没有过多的装饰,只在前端的两个角落里设置了“Lenovo”和“ThinkPad”LOGO,进一步凸显小黑的经典血统。

顶盖角落LOGO

转轴部分依然采用了小黑的金属转轴,阻尼力度柔和细腻,完全可以单手开合。而且屏幕开合角度可达180度,日常使用非常方便,可以对移动商务人士的复杂场合完美应对。

金属转轴

屏幕开合角度

X230虽然机身小巧,但在接口方面丝毫没有含糊,商务人士的需求,依然可以轻松满足。

考虑到中国人普遍右手使鼠标的习惯,笔记本在左侧接口设计上非常用心,X230将散热风口设计在了这一侧的末端,往前依次是USB3.0接口、VGA端口、DisplayPort端口。最靠近前端的地方,上边是一个ExpressCard 插槽,下方是USB3.0接口和无线网卡物理开关。升级USB3.0,也是此次的一大亮点,数据传输速率有了更大的提升。

机身左侧接口

机身右端几乎没什么变化,前端是一个四合一读卡器,供电USB2.0接口,RJ45网线接口、耳机插孔。中央部分是一个硬盘扩展仓。靠近末端设置了安全锁孔。这样的设计对于使用外接有线鼠标的用户稍有不便。

机身右侧接口

电源适配器接口,设置在了机身后端左侧。在这个位置,还有一个辅助散热口,提供了更大面积的排风口。

机身后端电源适配器接口和辅助散热口

第3页12.5吋雾面屏 巧克力键盘

12.5吋雾面屏 巧克力键盘

打开上盖,一块12.5英寸的雾面液晶屏不仅显示效果靓丽,雾面处理更能适应多种环境,即使外部光线明亮,依然可以清晰显示。最大分辨率为 1366×768 像素,虽然是比较常见的规格,但对于商业用户而言,似乎 16:10 更加合适。

屏幕

屏幕的边框采用了磨砂效果处理,摸上去手感舒适,并且有效防止指纹等污渍的沾染。上边沿的屋檐式设计使得在合住上盖时可与C面更紧密的贴合,有效保护屏幕。

屋檐式设计的屏幕上边沿

屏幕上方,配备一颗720p高清网络摄像头,视频会议不在话下。摄像头上方还有ThinkLight键盘灯,对于没有背光键盘的ThinkPad X230来说颇为重要(ThinkPad某些机型不配备背光键盘)。在屏幕的下方中央设计有阵列麦克风。

高清摄像头

ThinkPad键盘灯

阵列麦克风

与此前的机型相比,此次X230最大的改变莫过于键盘了。用经典开刀,可谓大胆革新,而这一点,也引来众多小黑迷的质疑。熟悉的高触感键盘不见了,蓝色的回车键也没了踪迹。X230采用了联想独有的高触感巧克力键盘。按键也由之前的7行变为6行。某些键位也发生了改变。位于左右方向键上“前进”和“后退”两个快捷功能消失了;原来的上页(PgUp) /下页(PgDn)两个键移动到左右方向键两个键的上方;Delete键变小了。与多媒体控制相关的Fn扩展功能键移动到F-F12键位上,显得更为集中。ThinkVantage按键也变成了黑色。

键盘全局

细节调整

实际使用中,X230键盘打字所需的力度似乎更小,而且键帽面积更大,在一定程度上提高了敲打的准确率。手指敲打按键的感觉更加顺滑,而且声音更小。

巧克力键盘

主观判断而言,X230的键盘改变虽然在一定程度上让粉丝难以接受,但单说使用感受,进步还是比较明显的。

ThinkPad X230的另外一个新特性就是在保留了传统的ThinkLight键盘灯的前提下,键盘具有两段式可调背光。不过我们接到的这台并未配备背光键盘。

触摸板的设计没有太大的变化,下方按键与触摸板一体设计,上方的左右按键对应经典的指点杆。在触控板右侧的掌托位置还设计有指纹识别系统,为用户的数据安全提供了一定的保护作用。

指点杆 指纹识别器

第4页续航 便携 扩展性能

续航 便携 扩展性能

机身底部,依然采用了与顶盖同样的铝镁合金材质,保证了机身的坚固性。底部设置了扩展坞接口,搭配官方扩展底座,可以更好的提升机器的扩展性能。挡板下的内存位,使得用户日后可以非常方便的自行升级。

机身底部

扩展坞接口

X230采用9芯大容量电池,后端超出了机身一部分,虽然整体看来影响美观,但超长的续航时间也为移动商务人士带来了更多便利。

电池后凸

电池大小与机身比例

电池容量

续航时长

即便X230属于轻薄商务系列,但相比超极本还是有差距。机身后端厚度为35.0mm,前端厚度为26.5mm,整体看来还算不错。

ThinkPad X230

机身重量方面,裸机仅重1.69Kg,加电源适配器重2.02Kg,便携性还是比较不错的。

裸机重量

旅行重量

第5页全新IVB平台处理器 核芯显卡性能提升

全新IVB平台处理器 核芯显卡性能提升

作为一款商务本,处理器的性能非常重要,所以X230采用了标准电压的全新Intel Ivybridge处理器,采用先进的22nm制程工艺制造,加之英特尔独创的3D晶体管设计,在同等大的面积上集成了更多晶体管,运算速度也大幅增加。

英特尔酷睿 i5-3360M 处理器,双核心四线程,默认主频为 2.8GHz,可睿频至 3.5GHz,TDP功耗为 35W,3M 三级缓存。

CPU参数

CINEBENCH R10能够对处理器的单核和多核性能给出直观的评分,通过CINEBENCH R10的测试,这颗酷睿 i5 3360M 处理器获得单核5877分,多核12062分的成绩,由此可见,其性能强劲,对商务人士的日常需求完全可以满足。

CINEBENCH R10测试成绩

Super PI是一款通过运算圆周率π的N位小数来展现处理器运算速率的软件。测试中,我们通过运算100万位π的值,并重复20次的方式,结果显示,总用时11.450秒,平均每次运算用时不足2秒。进一步证实处理器性能的强力。

Super PI测试成绩

Ivybridge芯片组已经开始支持DDR3-1600内存,因此ThinkPad X230也采用了主频为1600MHz的内存。

单条4G内存

500GB大容量硬盘,通过HD Tune 测试,结果显示最高传输速率达到了124MB/秒,平均传输速率也达到96.7MB/秒。表现还是比较出色的。

硬盘测试

显卡方面,对于商务用户来说,需求不是太高,但考虑到某些办公软件依然需要GPU辅助计算,因此图形处理核心几乎必不可少。但又考虑到续航与散热,核芯显卡成为完美的搭配。

核芯显卡

Ivybridge内置的Intel HD Graphics 4000核芯显卡同样采用了22nm制程技术制造,相比上一代,性能有了更大的提升,而且能耗更低。通过3DMark Vantage测试,得到了E12638分的成绩,其中GPU得分13491,表现很不错。

3DMarkVantage测试成绩

第6页整体性能均衡 表现出色

整体性能均衡 表现出色

通过以上测试,我们了解了这款笔记本各部件的性能,那接下来我们就来看看整体表现如何。Windows 7系统自测,成绩为5.0分,处理器7.2的得分最高,由此也可以看出整体性能均衡,没有明显瓶颈。

Windows 7自测

我们再来看看PCMarkVantage测试的成绩,总体8626分的结果,进一步证实了该机的性能主流,商务办公需求完全可以应对。

PCMark Vantage测试结果

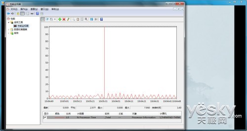
至于娱乐方面,用X230玩大型游戏有点扯,但出差途中欣赏一下高清影片还是可以的。在1080P高清影片播放过程中,我们可以看到,处理器负载持续在8%以下,平均负载只有2.5%。所以说应付高清播放小菜一碟。

1080P高清播放过程中 负载

第7页评测总结

评测总结:

看惯了X系列每年几乎没变化的升级,此次X230的大胆突破难免有些让人惊讶,7行变6行,键位也发生很大变化,或许某些习惯小黑的朋友会有排斥心理,但从使用感受出发,操控感确实有进步。而既然联想做出了这样的改进,一定是经过严格的市场调查之后才做的决定,否则向经典开刀,是需要很大勇气的。

ThinkPad X230

ThinkPad X230在整体外观方面,仍然保留了该系列的经典血统,合金铰链、导流槽、APS 硬盘保护等一系列家族特性都完整保留。在稳定中进步,不只需要勇气,还要有足够的实力。X230做到了。

ThinkPad X230

整体配置来看,最新的Ivybridge i5处理器带来了更优越的性能,同时加入HD 4000核芯显卡,搭配4G内存,对于商务人士的日常办公休闲需求完全可以满足。便携的机身,对于移动商务人士也非常便利。而且在标准电压处理器的功耗下,依然能够拥有超长的续航时间,也非常可贵。

加载中...