静电枪电路模型的建立及验证
电子产品世界
原标题:静电枪电路模型的建立及验证
本文引用地址:http://www.eepw.com.cn/article/202008/417605.htm
引言
ESD是由于金属和非金属几何结构上电荷的积累,通常是摩擦起电。这种带电体直接或间接的相互作用是ESD放电发生的主要原因。ESD脉冲的泄放,使产品的软硬2种失效都有可能发生。所以电子产品对ESD的监测和防护是十分有必要的。系统级ESD测试的主要测试标准是国际电工委员会规定的IEC 61000-4-2[1]。为了确保电子产品在遭受ESD脉冲时和ESD脉冲过后都能够继续正常工作,需要实施系统级ESD测试。在系统级ESD测试过程中,我们用ESD发生器来模拟ESD放电场景,但是频繁地进行实际系统级防静电测试是昂贵和耗时的过程,因此有必要寻求1种有效的方法来分析和预测设备的静电防护能力。
图1 IEC61000-4-2标准下接触放电电路简图
1 IEC61000-4-2标准
在IEC61000-4-2标准中,静电枪电路如图1所示,已充电的150 pF电容器通过330 Ω电阻放电,从而产生如图2所示的电流波形,该波形中有2个峰值。 根据测试电压,从(2~8) kV分为4个等级,每个等级相差2 kV,不同等级下对应的特性参数也不同。第1个峰值电流为3.75 kV/A,误差不得超过15%。30 ns的电流为2 kV/A,误差不大于30%,60 ns的电流为1 kV/A,误差小于30%。波形的上升时间占第一峰值电流的10%至90%,通常为0.8 ns,误差不能超过25%。然而这个误差范围相对较大,可能引起仿真结果的不准确。现存的电路模型精确度虽然有所提高,但与标准值还是有些差距[2-3]。本文对电路模型进行优化后,在Cadence下进行模型的搭建与仿真,其输出波形的特征参数与标准值接近一致。
图2 IEC61000-4-2标准下接触放电电流波形
2 接触放电电路模型
2.1 数值计算
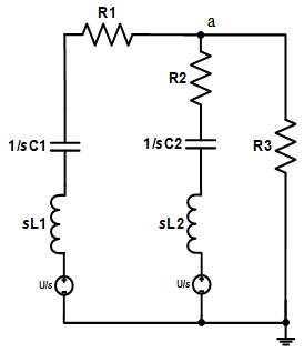
我国学者盛松林曾提出接触放电波形可以看做一大一小2个波组合而成,并且用数值表达式拟合出接触放电电流波形,但他的模型是基于度量的,没有电路特性[4]。在电路上可以用2个不同的电容放电来形成这样的波,电路结构设计如图3所示。图4是静电枪电路的s域模型,设a点电压为Y(s),则可以列出a点的节点方程[5]:
图3 接触放电模型电路原理图
图4 s域电路模型
求出I(s),再进行拉普拉斯逆变换,最终求得时域中的电流I(t)[6]。
通过计算发现,第1峰值的大小主要由R2、C2、L2决定,它会随着C2的增加,R2的减小而变大;第2峰值主要由R1、C1、L1决定,它会随着C1的增加,R1的减小而变大。R3为待测器件的阻值,一般是2 Ω。最终元件参数值如表1所示。
表1 电路模型元件参数值
图5是电压为2 kV下的数值计算波形与实测波形的对比图(红色线是MATLAB下数值计算曲线,蓝色线是实测曲线),可以看出两者的吻合度是比较好的。波形的特征参数值如表2所示。
图5 2 kV下接触放电模型的数值计算与实测对比图
2.2 电路仿真
为了进一步验证模型的准确性,在Cadence环境下搭建了电路并进行了仿真,仿真结果如图6所示。可以看出各等级下波形的特征参数都符合IEC61000-4-2标准且具有较高的精确度。其中,第1峰值电流误差在2.8%以内,30 ns电流值误差在3.1%以内,60 ns电流值误差在2.5%以内。可见,此模型具有很好的精确性与稳定性,很适合用于接触放电仿真测试。
图6 Cadence下接触放电仿真波形图
3 HBM电路模型
为了扩展模型的实用性,把接触放电模型改成了HBM模型。图7为静电枪的HBM模型,它与接触放电模式的不同点在于:原电路中R1的阻值由330 Ω变成1.5 kΩ,C1的电容值由150 pF变为100 pF。2 kV下模型产生的放电电流波形如图8所示,其中红色线是Cadence下仿真曲线,蓝色线是实测曲线,可以看出两者的吻合度也是很好的。改进后的模型可用于静电仿真测试中的HBM测试。
图7 HBM模型电路原理图
4 结论
本文提出了一种新的静电发生器电路模型,该模型在Cadence中建立并验证。优点是:①模型产生的波形很稳定且与实测波形的吻合度较好;②适用于2种测试模式,接触放电测试和HBM测试。其中,接触放电的仿真结果与IEC61000-4-2标准非常吻合。第1峰值电流误差在2.8%以内,30 ns电流值误差在3.1%以内,60 ns电流值误差在2.5%以内。此外,HBM模型的仿真结果与实测波形的吻合性也很好,从而证实了新模型系统行为的准确性。该电路模型为静电放电仿真提供了1个新的激励源。
图8 2 kV下HBM模型的仿真与实测对比图
参考文献:
[1] Electromagnetic Compatibility (EMC) Part 4-2: Testing and Measurement Techniques-Section 2: Electrostactic Discharge (ESD) Immunity Test, TEC-EN 61000-4-2, 2008.
[2] 田巍,石磊.静电放电发生器模型的研究及应用[J].科技广场,2011(07):82-84.
[3] MERTENS R,KUNZ H,SALMAN A,et al.A flexible simulation model for system level ESD stresses with application to ESD design and troubleshooting[C],Electrical Overstress/Electrostatic Discharge Symposium (EOS/ESD), 2012 34th. IEEE, 2012.
[4] 盛松林,毕增军,田明宏,等.一个新的IEC61000-4-2标准ESD电流解析表达式[J].强激光与粒子束(5):464-466.
[5] 邱关源.电路.第5版[M].北京:高等教育出版社,2006.
[6] TANAKA H,FUJIWARA O,YAMANAKA Y.A Circuit Approach to Simulate Discharge Current Injected in Contact with an ESD-gun[C],International Symposium on Electromagnetic Compatibility.