新浪科技

为什么信号隔离在48V HEV/EV系统中十分重要

电子产品世界

关注

原标题:为什么信号隔离在48V HEV/EV系统中十分重要

传统内燃机车辆与 混合电动车辆(HEV)或电动车辆(EV) 之间的一个主要区别之一是存在多节电池和电压等级。内燃机由单个12V或24V电池(通常是铅酸电池)运行。但是,HEV和EV使用的二次高压电池的范围从48V(HEV)到更高的电压400V至800V(EV)。

本文引用地址:http://www.eepw.com.cn/article/202005/413191.htm

多电压电平的存在需要隔离来保护低压电路免受高压影响。显然,对于400V及以上的电池,您需要隔离,但在48V轻度混合系统中是否需要隔离?让我们来分析一下。

48V HEV中的隔离

即使电压不高达400V或800V,隔离对于48V混合动力汽车来说也很重要,究其原因有很多种,其中包括增强的抗抗噪性能和故障保护。

图1所示为一个 起动发电机系统 ,其中包括H桥和场效应晶体管(FET)的功率级处在48V侧。这些FET的开关会引起电压瞬变(dv/dt),这可能会在48V接地端产生一些共模噪声。没有任何隔离的情况下,该噪声将与12V端侧耦合,并影响低压侧电路的信号完整性。通过在两侧之间增加隔离,如图1所示,您可提高共模瞬变抗扰度和信号完整性。

在图2中, 电池管理系统(BMS) 中的48 V电池组和 微控制器(MCU) 位于高电压侧,而MCU使用 控制器局域网(CAN)协议 与电子控制单元进行通信。如果48 V侧出现故障,则电压可能会出现在12 V侧。低电压侧的电路组件(本例中为CAN收发器)可能无法承受高电压,且可能会损坏。在低压侧的CAN收发器与高压侧的微控制器之间使用隔离器将确保低压电路的安全性,即使在高压侧有故障发生

德国汽车工业协会 320(VDA320)标准指定了汽车电气和电子部件的故障电流测试(E48-20),其中测试电压应用于48V/12V隔离层,12V 和 48V 系统之间的预期电流必须小于 1 微安。配备隔离器可确保电流符合这一标准。

Figure 2: 48-V BMS block diagram

图2:48V BMS框图

如果您正在设计48V HEV系统,并正在寻找与48V侧接口的隔离器件。基于接口标准,有一些选件可用于48V侧和12V侧之间的通信。

对于需要在12V和48V侧之间进行串行外围设备接口(SPI)、 通用异步接收器发送器(UART) 或通用输入/输出(GPIO)通信的设计,您可以使用数字隔离器,例如 ISO7741-Q1 或 ISO7721-Q1 ,具体取决于所需的隔离通道数。 

当您下正在使用I2C通信来节省信号迹线数时,隔离式I2C器件,例如 ISO1540-Q1 (双向数据,双向时钟) ISO1541-Q1 (双向数据,双向时钟)可满足此用途。

如果两侧之间存在CAN通信并且需要隔离时,您可以添加一个数字隔离器(例如ISO7721-Q1)与CAN收发器串联,或者使用集成的隔离式CAN器件(例如 ISO1042-Q1 )来节省空间。

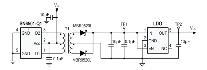
数据通信只是解决方案的一部分。您还必须隔离两侧之间的电源,您可以使用反激式、反降压或推挽拓扑实现这一隔离。对于局部电源(例如,隔离式CAN收发器的电源),可以考虑可与外部变压器、整流器和低压降稳压器一起使用的变压器驱动器,例如 SN6501-Q1 、 SN6505A-Q1 或 SN6505B-Q1 ,以生成简单的隔离式电源,如图3所示。

SN6501-Q1 、 SN6505A-Q1 或 SN6505B-Q1之间的主要区别在于每个驱动器的输出电流、是否存在可减少辐射的扩频和不同的开关频率。这些选项使您能够选择正确的器件,以满足系统的辐射标准和电源要求。

尽管我已经在48 V HEV的背景下讨论了这些解决方案,但这些器件系列的隔离规格和更广泛的封装选项使这些系列也适用于电池电压更高的EV。可以在对 EV 设计进行少量修改的情况下重复使用HEV子系统的隔离部分,从而节省设计和布局时间。

其他资源

了解有关 48V汽车系统的更多信息 。

请参阅以下应用指南:

“ 在不影响性能或空间的情况下隔离您的CAN系统。 ”

“ 如何在隔离CAN系统中隔离信号和电源。 ”

请参阅技术文章:“ 在隔离的 CAN 系统中减少排放并提高抗扰性 。 ”

请参阅参考设计:“基于40V隔离比较器的电源参考设计”。 

加载中...