新浪科技

MOS管参数,一一解惑

慧聪电子网

关注

原标题:MOS管参数,一一解惑 来源:面包板社区

    最  大额定参数

    最  大额定参数,所有数值取得条件(Ta=25℃)

    VDSS最  大漏-源电压

    在栅源短接,漏-源额定电压(VDSS)是指漏-源未发生雪崩击穿前所能施加的最  大电压。根据温度的不同,实际雪崩击穿电压可能低于额定VDSS。关于V(BR)DSS的详细描述请参见静电学特性。

    VGS最  大栅源电压

    VGS额定电压是栅源两极间可以施加的最  大电压。设定该额定电压的主要目的是防止电压过高导致的栅氧化层损伤。实际栅氧化层可承受的电压远高于额定电压,但是会随制造工艺的不同而改变,因此保持VGS在额定电压以内可以保证应用的可靠性。

    ID-连续漏电流

    ID定义为芯片在最  大额定结温TJ(max)下,管表面温度在25℃或者更高温度下,可允许的最  大连续直流电流。该参数为结与管壳之间额定热阻RθJC和管壳温度的函数:

    ID中并不包含开关损耗,并且实际使用时保持管表面温度在25℃(Tcase)也很难。因此,硬开关应用中实际开关电流通常小于ID额定值@TC=25℃的一半,通常在1/3~1/4。补充,如果采用热阻JA的话可以估算出特定温度下的ID,这个值更有现实意义。

    IDM-脉冲漏极电流

    该参数反映了器件可以处理的脉冲电流的高低,脉冲电流要远高于连续的直流电流。定义IDM的目的在于:线的欧姆区。对于一定的栅-源电压,MOSFET导通后,存在最  大的漏极电流。如图所示,对于给定的一个栅-源电压,如果工作点位于线性区域内,漏极电流的增大会提高漏-源电压,由此增大导通损耗。长时间工作在大功率之下,将导致器件失效。因此,在典型栅极驱动电压下,需要将额定IDM设定在区域之下。区域的分界点在Vgs和曲线相交点。

    因此需要设定电流密度上限,防止芯片温度过高而烧毁。这本质上是为了防止过高电流流经封装引线,因为在某些情况下,整个芯片上最  “薄弱的连接”不是芯片,而是封装引线。

    考虑到热效应对于IDM的限制,温度的升高依赖于脉冲宽度,脉冲间的时间间隔,散热状况,RDS(on)以及脉冲电流的波形和幅度。单纯满足脉冲电流不超出IDM上限并不能保证结温不超过最  大允许值。可以参考热性能与机械性能中关于瞬时热阻的讨论,来估计脉冲电流下结温的情况。

    PD-容许沟道总功耗

    容许沟道总功耗标定了器件可以消散的最  大功耗,可以表示为最  大结温和管壳温度为25℃时热阻的函数。

    TJ,TSTG-工作温度和存储环境温度的范围

    这两个参数标定了器件工作和存储环境所允许的结温区间。设定这样的温度范围是为了满足器件最  短工作寿命的要求。如果确保器件工作在这个温度区间内,将极大地延长其工作寿命。

    EAS-单脉冲雪崩击穿能量

    如果电压过冲值(通常由于漏电流和杂散电感造成)未超过击穿电压,则器件不会发生雪崩击穿,因此也就不需要消散雪崩击穿的能力。雪崩击穿能量标定了器件可以容忍的瞬时过冲电压的安全值,其依赖于雪崩击穿需要消散的能量。

    定义额定雪崩击穿能量的器件通常也会定义额定EAS。额定雪崩击穿能量与额定UIS具有相似的意义。EAS标定了器件可以安全吸收反向雪崩击穿能量的高低。

    L是电感值,iD为电感上  流过的电流峰值,其会突然转换为测量器件的漏极电流。电感上产生的电压超过MOSFET击穿电压后,将导致雪崩击穿。雪崩击穿发生时,即使MOSFET处于关断状态,电感上的电流同样会流过MOSFET器件。电感上所储存的能量与杂散电感上存储,由MOSFET消散的能量类似。

    MOSFET并联后,不同器件之间的击穿电压很难完全相同。通常情况是:某个器件率先发生雪崩击穿,随后所有的雪崩击穿电流(能量)都从该器件流过。

    EAR-重复雪崩能量

    重复雪崩能量已经成为“工业标准”,但是在没有设定频率,其它损耗以及冷却量的情况下,该参数没有任何意义。散热(冷却)状况经常制约着重复雪崩能量。对于雪崩击穿所产生的能量高低也很难预测。

    额定EAR的真实意义在于标定了器件所能承受的反复雪崩击穿能量。该定义的前提条件是:不对频率做任何限制,从而器件不会过热,这对于任何可能发生雪崩击穿的器件都是现实的。在验证器件设计的过程中,最  好可以测量处于工作状态的器件或者热沉的温度,来观察MOSFET器件是否存在过热情况,特别是对于可能发生雪崩击穿的器件。

    IAR-雪崩击穿电流

    对于某些器件,雪崩击穿过程中芯片上电流集边的倾向要求对雪崩电流IAR进行限制。这样,雪崩电流变成雪崩击穿能量规格的“精细阐述”;其揭示了器件真正的能力。

    静态电特性

    V(BR)DSS:漏-源击穿电压(破坏电压)

    V(BR)DSS(有时候叫做VBDSS)是指在特定的温度和栅源短接情况下,流过漏极电流达到一个特定值时的漏源电压。这种情况下的漏源电压为雪崩击穿电压。

    V(BR)DSS是正温度系数,温度低时V(BR)DSS小于25℃时的漏源电压的最  大额定值。在-50℃,V(BR)DSS大约是25℃时最  大漏源额定电压的90%。

    VGS(th),VGS(off):阈值电压

    VGS(th)是指加的栅源电压能使漏极开始有电流,或关断MOSFET时电流消失时的电压,测试的条件(漏极电流,漏源电压,结温)也是有规格的。正常情况下,所有的MOS栅极器件的阈值电压都会有所不同。因此,VGS(th)的变化范围是规定好的。VGS(th)是负温度系数,当温度上升时,MOSFET将会在比较低的栅源电压下开启。

    RDS(on):导通电阻

    RDS(on)是指在特定的漏电流(通常为ID电流的一半)、栅源电压和25℃的情况下测得的漏-源电阻。

    IDSS:零栅压漏极电流

    IDSS是指在当栅源电压为零时,在特定的漏源电压下的漏源之间泄漏电流。既然泄漏电流随着温度的增加而增大,IDSS在室温和高温下都有规定。漏电流造成的功耗可以用IDSS乘以漏源之间的电压计算,通常这部分功耗可以忽略不计。

    IGSS-栅源漏电流

    IGSS是指在特定的栅源电压情况下流过栅极的漏电流。

    动态电特性

    Ciss:输入电容

    将漏源短接,用交流信号测得的栅极和源极之间的电容就是输入电容。Ciss是由栅漏电容Cgd和栅源电容Cgs并联而成,或者Ciss=Cgs+Cgd。当输入电容充电致阈值电压时器件才能开启,放电致一定值时器件才可以关断。因此驱动电路和Ciss对器件的开启和关断延时有着直接的影响。

    Coss:输出电容

    将栅源短接,用交流信号测得的漏极和源极之间的电容就是输出电容。Coss是由漏源电容Cds和栅漏电容Cgd并联而成,或者Coss=Cds+Cgd对于软开关的应用,Coss非常重要,因为它可能引起电路的谐振

    Crss:反向传输电容

    在源极接地的情况下,测得的漏极和栅极之间的电容为反向传输电容。反向传输电容等同于栅漏电容。Cres=Cgd,反向传输电容也常叫做米勒电容,对于开关的上升和下降时间来说是其中一个重要的参数,他还影响这关断延时时间。电容随着漏源电压的增加而减小,尤其是输出电容和反向传输电容。

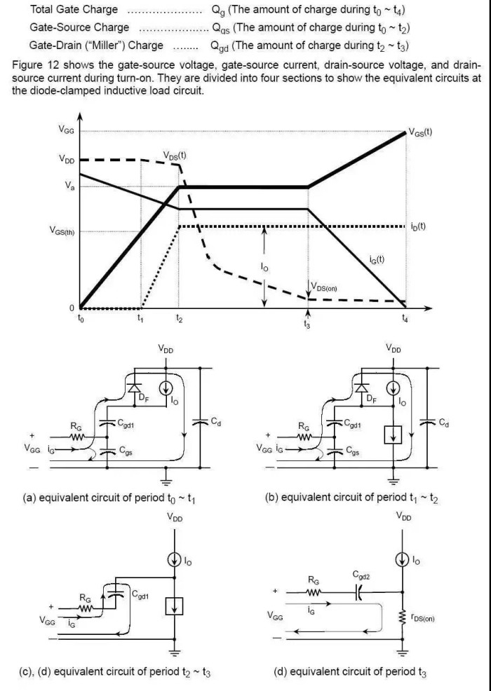
    Qgs,Qgd,和Qg:栅电荷

    栅电荷值反应存储在端子间电容上的电荷,既然开关的瞬间,电容上的电荷随电压的变化而变化,所以设计栅驱动电路时经常要考虑栅电荷的影响。

    Qgs从0电荷开始到第一个拐点处,Qgd是从第一个拐点到第二个拐点之间部分(也叫做“米勒”电荷),Qg是从0点到VGS等于一个特定的驱动电压的部分。

    漏电流和漏源电压的变化对栅电荷值影响比较小,而且栅电荷不随温度的变化。测试条件是规定好的。栅电荷的曲线图体现在数据表中,包括固定漏电流和变化漏源电压情况下所对应的栅电荷变化曲线。在图中平台电压VGS(pl)随着电流的增大增加的比较小(随着电流的降低也会降低)。平台电压也正比于阈值电压,所以不同的阈值电压将会产生不同的平台电压。

    下面这个图更加详细,应用一下:

    td(on):导通延时时间

    导通延时时间是从当栅源电压上升到10%栅驱动电压时到漏电流升到规定电流的10%时所经历的时间。

    td(off):关断延时时间

    关断延时时间是从当栅源电压下降到90%栅驱动电压时到漏电流降至规定电流的90%时所经历的时间。这显示电流传输到负载之前所经历的延迟。

    tr:上升时间

    上升时间是漏极电流从10%上升到90%所经历的时间。

    tf:下降时间

    下降时间是漏极电流从90%下降到10%所经历的时间。

责任编辑:俞雪峰

加载中...